产品中心
频率稳定窄线宽FBG激光二极管
BF-PL-NL 系列光纤布拉格光栅激光器是专为光学测量和通信而设计的单频激光二极管模块。 该激光器采用 14 针标准蝶形封装,带有监控光电二极管和热电冷却器 (TEC)。

单模版本

保偏版本

不同波长可选

产品特点
· 光输出:20mW
· 窄线宽(Δν <1MHz)
· 波长:780nm @ 25℃(633-1572nm多系列)
· SM 或 PM 光纤 (ø0.9mm)
· FC-APC 连接器
· 14针蝶形封装
· 内部监视器 PD 和 TEC
· 低功耗
典型应用
· 激光干涉实验
· DWDM长距离传输设备下端
· 光学测试与仪器
· 微波光子学
· CATV 网络
· 传感应用
相关文件
产品介绍

BF-PL-NL 系列光纤布拉格光栅激光器是专为光学测量和通信而设计的单频激光二极管模块。 该激光器采用 14 针标准蝶形封装,带有监控光电二极管和热电冷却器 (TEC)。

产品型号及主要指标

Optical Characteristics (at 25 °C laser temperature)

Parameter

Symbol

Condition

Min.

Typical

Max.

Unit

Center Wavelength

λc

TL=15~35℃ CW

775

780

785

nm

Peak Optical Output Power

PO

-

-

10

20

mW

Spectral linewidth

LW

-

-

1

10

MHZ

Relative Intensity Noise

RIN

CW,output power 5mW

-

-

-135

db/HZ

Side-mode Suppression Ratio

SMSR

CW

30

40

-

dB

Polarization Extinction Ratio

ER

-

20

-

-

dB

Wavelength drift with case (-10 to 70 ºC) temperature

△λ

TL=15~35℃

-

-

±30

pm

Wavelength Temperature coefficient

Δλ/ΔT

TL=15~35℃

-

65

80

pm/ºC

Wavelength Current coefficient

Δλ/ΔΙ

-

-

1.0

2

pm/mA

Tuning Range(For PZT Version)

Δf


0.5


1

nm

PZT Driving Voltage( PZT Version)

VT


0


150

V

Mode Hope free Range

ΔI



30


mA


Electrical Characteristics (at 25 °C laser temperature)


Parameter

Symbol

Condition

Min.

Typical

Max.

Unit

Threshold Current

ITH

-

-

45

65

mA

Operating current

Iop

CW

-

60

120

mA

Slope Efficiency

ƞ

CW   output power 30 mW

0.064

0.3

0.4

mW/mA

TEC set temperature

Ts

-

15

-

35

Laser Forward Voltage

VF

CW   output power@30 mW

-

1.3

2.5

V

Monitor Dark Current

ID

-

-

-

0.1

μA

Thermistor Current

ITC

-

10

-

100

μA

Thermistor Resistance

RTH

TLD=25°C

9.5

10

10.5

TEC Current

ITEC

TLD=25°C,   TC=70°C

-

-

1.8

A

TEC Voltage

VTEC

IF=EOL, TC=70°C

-

-

3.5

V


Spectrum 

780.png

L-I Curve

780.2.png

Wavelength VS PZT Voltage

780.png

Beam Quality(M2,2D/3D Beam)

t1.jpg


t2.jpg


t3.jpg



Fiber Pigtail Specifications 


Parameters

Description

Fiber Type

PM fiber

Jacket Type

900μm loose tube

Pigtail Length

1.0±0.1m

Connector Type

FC/APC

PM fiberConnector Orientation

Please see the right figure

MM.jpg

Note: The PM fiber and the connector key are aligned to the slow axis,fast axis is blocked

Package Size

t4.png

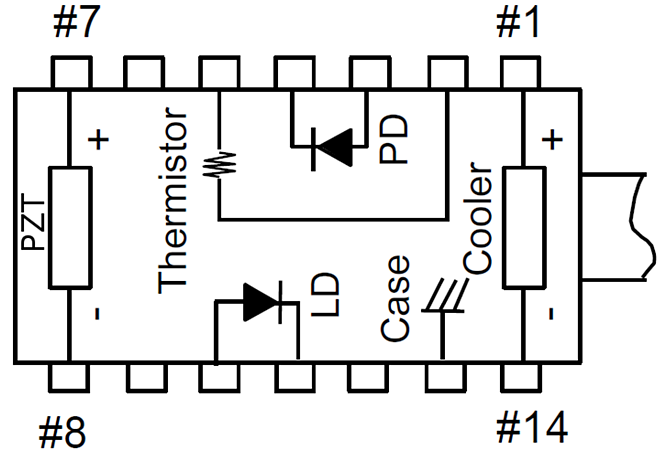
Pin definition

t5.png

PZT Built Inside

1

Thermoelectric Cooler (+)

8

PZT tuning -

2

Thermistor

9

N/C

3

PD Monitor Anode (-)

10

laser Anode (+)

4

PD Monitor Cathode (+)

11

Laser Cathode (–)

5

Thermistor 

12

N/C

6

N/C

13

Case Ground

7

PZT tuning +

14

Thermoelectric Cooler (–)


Absolute Maximum Ratings

Item

Unit

Min

Typ

Max

Case Temperature

  ℃

-40

25

70

Chip Temperature

+10

25

40

Operating Current

mA

0

60

120

Forward Voltage

V

0.8

1.2

1.8

TEC Current

A

-

1.2

1.4

Reverse Voltage(LD)

V

-

-

1.8


Ordering Info

BF-PL-NL-□□□□-☆-A8▽-XX-☆

□□□□: Wavelength

0633: 633nm

0780: 780nm

1550: 1550nm

1555: 1555nm

*****

1560: 1560nm

☆: Output Power

A: 10mW

B: 30mW

▽: Linewidth

1: <10MHZ

XX: Fiber and Connector Type

SA=SM780+ FC/APC

SP=SM780+ FC/PC

PP=PM780+ FC/PC

PA=PM780+ FC/APC

No PZT: Leave it Blank

PZT: Version please use PZT to replace

相关产品
在线留言
导航 产品 资料 电话